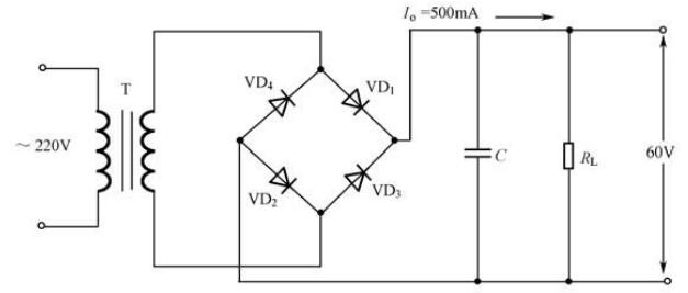
在对整流二极管进行电路设计时,选择性能参数合适的整流二极管是非常重要的,以实际设计电路为例子。 ...
粤ICP备2024234818号 版权所有 © 2024 恒煜芯城(深圳)电子科技有限公司 版权所有 粤ICP备2024234818号 技术支持:深圳网站建设
扫一扫关注官方微信